¿Qué es un sistema electrolítico de desorción y por qué es esencial para la extracción de oro moderna?

2026-04-21 - Déjame un mensaje

ElSistema electrolítico de desorciónEs una tecnología crucial en la extracción de oro moderna, particularmente en los procesos de carbón en pulpa (CIP) y carbón en lixiviación (CIL). Este blog explora cómo funciona el sistema, sus componentes, ventajas y por qué se ha convertido en un estándar en la recuperación eficiente de oro. También destacamos cómo a las empresas les gustaÉPICOestán impulsando la innovación en este campo. Al final, tendrá una comprensión integral de cómo este sistema mejora la productividad, reduce los costos y mejora las tasas de recuperación.

Desorption Electrolytic System

Tabla de contenido


¿Qué es un sistema electrolítico de desorción?

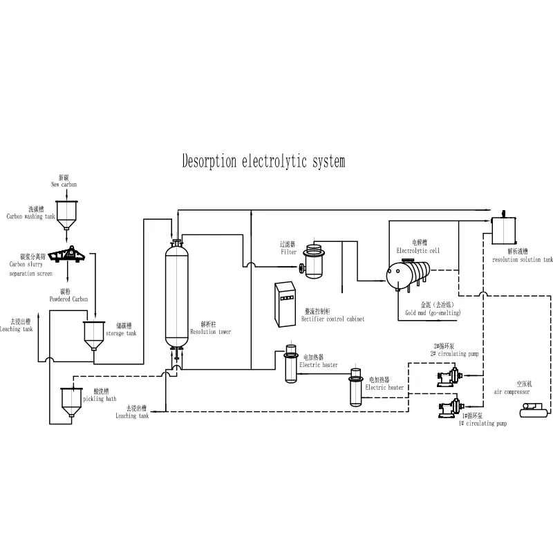
A Sistema electrolítico de desorciónes un sistema avanzado de recuperación de oro utilizado para extraer oro del carbón activado. Se aplica ampliamente en operaciones mineras donde el oro es absorbido por partículas de carbono durante el proceso de lixiviación.

  • Desorción: elimina el oro del carbono utilizando soluciones de alta temperatura y alta presión.
  • Electrólisis: recupera el oro de la solución en los cátodos.
  • Sistema de circuito cerrado: garantiza eficiencia y pérdidas mínimas

Este sistema es esencial para mejorar la eficiencia de la recuperación y reducir los costos operativos, lo que lo convierte en un componente central en las plantas modernas de procesamiento de oro.


¿Cómo funciona un sistema electrolítico de desorción?

El principio de funcionamiento de unSistema electrolítico de desorciónimplica dos etapas principales:

  1. Etapa de desorción:El carbón cargado de oro se trata con una solución de cianuro alcalino caliente, liberando iones de oro.
  2. Etapa de electrólisis:La solución rica en oro pasa a través de una celda electrolítica donde el oro se deposita en cátodos de lana de acero.

El proceso garantiza una alta eficiencia y permite un funcionamiento continuo, razón por la cual los sistemas de empresas comoÉPICOSon ampliamente adoptados en aplicaciones industriales.


Componentes principales del sistema

Componente Función
Columna de desorción Retiene el carbón activado y facilita la eliminación del oro.
Célula electrolítica Recupera oro mediante electrólisis.
Intercambiador de calor Mantiene la temperatura requerida
Sistema de filtro Elimina las impurezas de la solución.
Sistema de control Automatiza la operación y monitorea los parámetros.

Cada componente juega un papel vital para garantizar que el sistema funcione de manera eficiente y consistente.


Ventajas y características técnicas

  • Alta tasa de recuperación de oro (hasta 98%)
  • Bajo consumo de energía
  • Operación automatizada para reducir los costos laborales.
  • Diseño compacto para ahorrar espacio
  • Respetuoso con el medio ambiente con emisiones mínimas

A los fabricantes les gustaÉPICOOptimice continuamente estos sistemas para satisfacer las demandas cambiantes de la industria, garantizando un mejor rendimiento y confiabilidad.


Aplicaciones en el procesamiento de oro

ElSistema electrolítico de desorciónes ampliamente utilizado en:

  • Plantas mineras de oro
  • Operaciones CIP (carbono en pulpa)
  • Procesos CIL (Carbono en Lixiviación)
  • Recuperación de relaves de oro

Su versatilidad lo hace adecuado tanto para la minería industrial a gran escala como para operaciones más pequeñas que buscan mejoras de eficiencia.


Comparación con métodos tradicionales

Característica Sistema electrolítico de desorción Métodos tradicionales
Eficiencia Alto Moderado
Automatización Totalmente automatizado Manual o semiautomático
Costo Menor costo a largo plazo Mayor costo operativo
Impacto ambiental Bajo Más alto

Claramente, el sistema moderno ofrece ventajas significativas sobre las técnicas tradicionales de recuperación de oro.


Guía de selección para compradores

Al elegir unSistema electrolítico de desorción, considere los siguientes factores:

  • Capacidad de procesamiento
  • Nivel de automatización
  • Eficiencia energética
  • Reputación del fabricante (por ejemplo, EPIC)
  • Soporte postventa

Seleccionar el sistema adecuado garantiza el éxito operativo a largo plazo y el máximo retorno de la inversión.


Consejos operativos y de mantenimiento

  • Inspeccionar periódicamente tuberías y válvulas.
  • Monitorear los niveles de temperatura y presión.
  • Limpiar las celdas electrolíticas periódicamente.
  • Reemplace los componentes desgastados rápidamente
  • Siga estrictamente las pautas del fabricante

Un mantenimiento adecuado prolonga significativamente la vida útil del sistema y garantiza un rendimiento constante.


Preguntas frecuentes

1. ¿Cuál es el objetivo principal de un Sistema Electrolítico de Desorción?

Su objetivo principal es extraer y recuperar oro del carbón activado de manera eficiente.

2. ¿Qué tan eficiente es el sistema?

La mayoría de los sistemas alcanzan una tasa de recuperación de oro superior al 95%, dependiendo de las condiciones operativas.

3. ¿Es el sistema respetuoso con el medio ambiente?

Sí, los sistemas modernos están diseñados para minimizar las emisiones y reducir los desechos químicos.

4. ¿Se puede personalizar?

Sí, empresas como EPIC ofrecen soluciones personalizables según los requisitos de procesamiento.

5. ¿Qué industrias utilizan este sistema?

Principalmente en la industria minera de oro, pero también en aplicaciones de recuperación de metales preciosos.


Conclusión

ElSistema electrolítico de desorciónrepresenta un gran avance en la tecnología de recuperación de oro, ofreciendo eficiencia, confiabilidad y desempeño ambiental inigualables. Con avances continuos de líderes de la industria comoÉPICO, este sistema se está volviendo cada vez más esencial para las operaciones mineras modernas. Si busca optimizar su proceso de extracción de oro y mejorar la rentabilidad, invertir en un sistema de alta calidad es una opción inteligente.Contáctenoshoy para obtener más información sobre cómo podemos brindar soluciones personalizadas para sus necesidades.

Enviar Consulta

X
Utilizamos cookies para ofrecerle una mejor experiencia de navegación, analizar el tráfico del sitio y personalizar el contenido. Al utilizar este sitio, acepta nuestro uso de cookies. política de privacidad