Sistema electrolítico de desorción
  • Sistema electrolítico de desorción Sistema electrolítico de desorción

Sistema electrolítico de desorción

Como uno de los fabricantes profesionales, EPIC le gustaría proporcionarle un sistema electrolítico de desorción de alta calidad. Y le ofreceremos el mejor servicio posventa y la entrega oportuna.

Enviar Consulta

Descripción del Producto

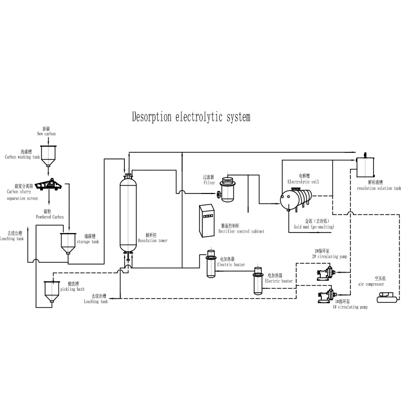
Al ser un fabricante competente, Epic tiene como objetivo ofrecerle un sistema electrolítico de desorción de primer nivel. Prometemos brindarle el mejor soporte para después de la venta y entrega rápida. Al agregar más facilidad de fácil acceso al sistema de desorción de adsorción de carbono activado, por lo tanto, el reemplazo de Au (CN) 2 "realiza la desorción del oro. El líquido obtenido por la desorción de carbono cargado de oro se recupera por ionización para obtener oro sólido. Características del equipo.

1, alta temperatura, alta presión, sin cianuro, control automático de desorción, con alta elfiencia, consumo de arco, rápido

características: 

A. Alta eficiencia: cuando el grado de carbono cargado de oro alcanza 3000 g/t, la tasa de desorción puede alcanzar más del 96%, y el grado de carbono deficiente puede redujamente 3-4 veces en comparación con el electrolítico de desorción convencional

dispositivo:

B. ISPERA: La temperatura de la electrólisis de desorción puede ser tan alta como 150 ℃ (30-55 ℃ más alta que otros modelos) presión de trabajo del sistema de hasta 0.5MPa (0.2-0.5MPa más alto que otros modelos), por lo que el tiempo de electrólisis de desorción es muy rápido, generalmente 12 h, acorta casi casi 

3 veces: C. Consumo bajo: la temperatura electrolítica de desorción es la misma, sin transferencia de calor, debido al trabajo rápido, por lo que el consumo total de energía es 1/2-1/4 del sistema convencional.

2. Sin cianuro: la solución de desorción no necesita agregar cianuro de sodio, bajo costo, sin contaminación:

3, barro de oro de alto grado, no es necesario revertir la electrólisis, extracción fácil;

4, Control automático: Establezca especialmente el sistema de control de nivel de líquido, el sistema de control de temperatura y el sistema de control automático;

5, Seguridad: con medidas de protección de seguridad triple, a saber, el sistema en sí mismo mecanismo inteligente de liberación de presión de presión autoridad y limitante, válvula de seguridad de seguro.

Etiquetas calientes: Sistema electrolítico de desorción
Enviar Consulta
Por favor, siéntase libre de dar su consulta en el siguiente formulario. Le responderemos en 24 horas.
X
Utilizamos cookies para ofrecerle una mejor experiencia de navegación, analizar el tráfico del sitio y personalizar el contenido. Al utilizar este sitio, acepta nuestro uso de cookies. política de privacidad