English
Español
Português
русский
Français
日本語
Deutsch
tiếng Việt
Italiano
Nederlands
ภาษาไทย
Polski
한국어
Svenska
magyar
Malay
বাংলা ভাষার
Dansk
Suomi
हिन्दी
Pilipino
Türkçe
Gaeilge
العربية
Indonesia
Norsk
تمل
český
ελληνικά
український
Javanese
فارسی
தமிழ்
తెలుగు
नेपाली
Burmese
български
ລາວ
Latine
Қазақша
Euskal
Azərbaycan
Slovenský jazyk
Македонски
Lietuvos
Eesti Keel
Română
Slovenski
मराठी
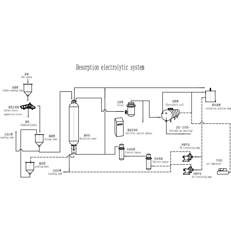
Srpski језик El sistema electrolítico de desorción es una tecnología crucial en la extracción de oro moderna, particularmente en los procesos de carbón en pulpa (CIP) y carbón en lixiviación (CIL). Este blog explora cómo funciona el sistema, sus componentes, ventajas y por qué se ha convertido en un estándar en ......
Leer másEl clasificador espiral sumergido es un componente vital en el procesamiento de minerales que mejora la separación y clasificación de partículas en diversas industrias. En este artículo, exploraremos la función, las ventajas y las aplicaciones de los clasificadores espirales sumergidos, así como tam......
Leer másLos tanques de agitación de lixiviación son equipos esenciales en la industria minera, especialmente para extraer metales valiosos de minerales mediante procesos de lixiviación. En este blog, exploraremos la importancia, el principio de funcionamiento y los diversos tipos de tanques de lixiviación y......
Leer másUn clasificador espiral sumergido es una pieza fundamental del equipo en el procesamiento de minerales, diseñado para separar partículas según su tamaño y densidad mediante sedimentación por gravedad y movimiento mecánico. Ampliamente utilizada en minería, lavado de arena y sistemas de clasificación......
Leer másEl espesador circular de placa inclinada de alta velocidad (CHRIPT) es una pieza vital del equipo utilizado en la industria minera y de procesamiento de minerales. Conocido por su capacidad para separar eficientemente sólidos de líquidos, este espesante es crucial en industrias como el tratamiento d......
Leer másLa celda cilíndrica de flotación por espuma está revolucionando el procesamiento de minerales con su diseño optimizado, tasas de recuperación mejoradas y rendimiento energéticamente eficiente. Esta guía completa explora en qué se diferencian las celdas de flotación cilíndricas de los modelos tradici......
Leer más