English
Español
Português
русский
Français
日本語
Deutsch
tiếng Việt
Italiano
Nederlands
ภาษาไทย
Polski
한국어
Svenska
magyar
Malay
বাংলা ভাষার
Dansk
Suomi
हिन्दी
Pilipino
Türkçe
Gaeilge
العربية
Indonesia
Norsk
تمل
český
ελληνικά
український
Javanese
فارسی
தமிழ்
తెలుగు
नेपाली
Burmese
български
ລາວ
Latine
Қазақша
Euskal
Azərbaycan
Slovenský jazyk
Македонски
Lietuvos
Eesti Keel
Română
Slovenski
मराठी
Srpski језик En el procesamiento de minerales moderno, lograr una clasificación de alta eficiencia es crucial para optimizar el beneficio del mineral y reducir el consumo de energía. Los clasificadores en espiral han surgido como una solución confiable para separar partículas finas de materiales gruesos en opera......
Leer másUn clasificador en espiral es un equipo indispensable ampliamente utilizado en las industrias de minería, metalurgia, química y procesamiento de minerales. Desempeña un papel crucial en la clasificación, separación y deshidratación de materiales finos según el tamaño de las partículas y la gravedad ......
Leer másUna lavadora de arena es una pieza crítica de equipo ampliamente utilizada en las industrias de minería, canteras y construcción. Ayuda a eliminar impurezas como limo, polvo y arcilla de la arena y la grava, garantizando un producto final más limpio y de mayor calidad. El principio es simple pero ef......
Leer másLa eliminación de hierro desempeña un papel crucial para garantizar agua limpia y un procesamiento de minerales eficiente en múltiples industrias. Este artículo explora la ciencia, el diseño y los beneficios de los equipos de eliminación de hierro, explica cómo funciona, por qué es importante y qué......
Leer másEn las operaciones industriales modernas, la eficiencia del manejo de materiales juega un papel fundamental en la productividad y la gestión de costos. La transmisión de equipos se ha convertido en una piedra angular en fábricas, minería y sectores de manejo de materiales a granel. Como alguien que ......
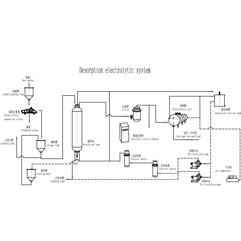
Leer másEl equipo de cianidio se ha convertido en una solución indispensable en las industrias mineras y metalúrgicas debido a su eficiencia, durabilidad y capacidad para maximizar la recuperación de metales valiosos. En el mercado altamente competitivo de hoy, las empresas buscan constantemente soluciones ......
Leer más