¿Cómo mejoran los equipos de cianuración la recuperación de oro y la seguridad del sitio?

2026-01-08 - Déjame un mensaje

Si alguna vez ha sentido que la cianuración es “efectiva, pero estresante”, no se lo está imaginando. La química funciona, pero la realidad del día a día puede ser complicada: mineral variable, gasto excesivo de reactivos, pérdidas de carbono, tiempos de inactividad inesperados y la presión constante para operar de manera segura y consistente. Este artículo desglosa lo queEquipo de cianuraciónrealmente debería hacer por usted, qué preguntar antes de comprar y cómo evitar los errores más costosos.


Abstracto

ModernoEquipo de cianuraciónNo es solo un conjunto de tanques: es un sistema conectado diseñado para controlar las condiciones de lixiviación, estabilizar la recuperación, reducir el desperdicio de reactivos y mantener predecible el manejo del cianuro. Los compradores normalmente luchan con cuatro puntos débiles: recuperación inconsistente, altos costos operativos, controles de seguridad débiles y dolores de cabeza por mantenimiento. A continuación, obtendrá una vista práctica de la planta de los módulos de cianuración (lixiviación, adsorción, desorción/electroobtención, desintoxicación e instrumentación), una matriz de selección, consejos de puesta en servicio y una sección de preguntas frecuentes que puede utilizar durante las conversaciones con proveedores.


Tabla de contenido


Esquema de un vistazo

  • Traduzca “Necesito cianuración” en un alcance de equipo completo y controlable.
  • Identifique qué módulo está provocando sus pérdidas (recuperación, reactivo, carbono o tiempo de inactividad).
  • Utilice una matriz simple para comparar soluciones para su tipo de mineral y sus limitaciones.
  • Asista a las reuniones de proveedores con una lista de verificación que expone rápidamente los diseños débiles.

Los verdaderos puntos débiles del comprador

Cuando la gente compraEquipo de cianuración, a menudo dicen "Necesito una mayor recuperación". Lo que normalmente quieren decir es: "Necesito una recuperación que se mantenga alta incluso cuando el mineral cambia, los operadores rotan y el sitio es remoto". Estos son los puntos débiles que aparecen una y otra vez:

  • Cambios de recuperacióncausado por la variabilidad del mineral, problemas de molienda, limitaciones de oxígeno o control deficiente del pH.
  • Aumento del coste de los reactivospor una sobredosis de cianuro o cal “sólo para estar seguros”.
  • Problemas de carbonotales como incrustaciones, pérdida por desgaste o cinética de adsorción deficiente.
  • Falta del tiempodebido a fallas de bombas/válvulas, desgaste de lodos abrasivos o diseños de difícil acceso.
  • Estrés de seguridadsobre el almacenamiento, la dosificación y la preparación para la respuesta de emergencia de cianuro.

Un buen diseño de equipos no elimina toda la complejidad, pero debería eliminar las conjeturas.


Qué incluye el “equipo de cianuración”

Cyaniding Equipment

Como mínimo,Equipo de cianuracióndebe entenderse como un sistema que soporta estas funciones:

  • Lixiviación: proporciona control de tiempo, mezcla y química para la disolución.
  • captura de oro: adsorción sobre carbón activado (CIP/CIL) o vía de precipitación.
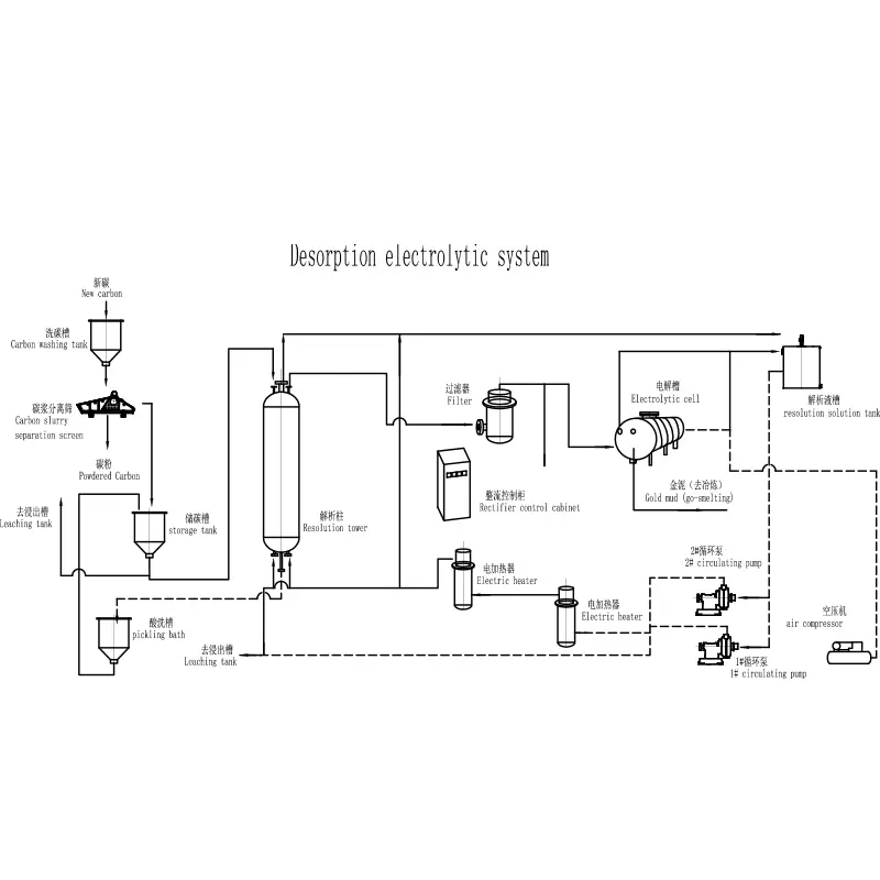
  • Recuperación de oro: desorción y electroobtención (o circuitos de recuperación alternativos).
  • Manejo de desintoxicación y relaves: reducir el cianuro residual a niveles aceptables.
  • Instrumentación y control: mide y estabiliza el pH, el oxígeno disuelto, el flujo y la dosificación.

Si un proveedor solo habla de “tanques”, presiónelo para que defina todo el flujo y los puntos de control. La cianuración es indulgente en condiciones de laboratorio; No perdona en condiciones de campo caóticas.


Un mapa de proceso claro desde el mineral hasta el doré

Si bien cada planta es diferente, la mayoría de las rutas de cianuración siguen una columna vertebral reconocible. Utilice este mapa para comprobar si un paquete propuesto está completo:

Escenario Lo que debe lograr Riesgo “oculto” típico
Tratamiento previo (según sea necesario) Hacer que el oro sea accesible y evitar picos en el consumo de cianuro Ignorar el robo de preg, el alto contenido de cobre o los sulfuros reactivos
Lixiviación Mezcla estable, pH controlado y suficiente oxígeno. Zonas muertas, mala transferencia de oxígeno, pH errático debido a un sistema de cal débil
Adsorción (CIL/CIP) Capture oro disuelto de manera eficiente Tamaño de carbono/método de transferencia incorrecto; pérdidas de carbono
Elución/Desorción Elimina el oro del carbono de forma fiable El calentamiento/flujo inconsistente conduce a una baja eficiencia de extracción
Electroobtención / Fundición Recuperar y producir doré Celdas de tamaño insuficiente, mala gestión de electrolitos, problemas de manipulación de lodos
desintoxicación Reducir el cianuro residual antes de la descarga/relaves El diseño no coincide con la variabilidad del rendimiento ni la química de los relaves

Módulos clave y qué comprobar

1) Tanques de lixiviación y agitación.

  • ¿El diseño de mezcla es adecuado para la densidad y abrasividad de su lechada?
  • ¿Puede el sistema mantener un pH estable bajo la variabilidad del mineral?
  • ¿Es práctica la adición de oxígeno en su sitio (y se considera la transferencia de oxígeno en el diseño)?
  • ¿El diseño permite una fácil inspección de impulsores, revestimientos y cojinetes?

2) Adsorción y transferencia de carbono.

  • ¿Las pantallas entre etapas son lo suficientemente robustas como para evitar el arrastre de carbono?
  • ¿La transferencia de carbono está diseñada para reducir roturas y pérdidas?
  • ¿El diseño es amigable con la limpieza y el control del inventario de carbono?

3) Desorción y electroobtención.

  • ¿El circuito de elución coincide con sus expectativas de carga de carbono?
  • ¿Son estables los controles de calefacción y flujo (no “dependientes del operador”)?
  • ¿La manipulación de lodos está planificada y no improvisada?

4) Dosificación y medición de cianuro

  • ¿La dosificación está automatizada con interlocks o es puramente manual?
  • ¿Cuál es el plan para la calibración y el mantenimiento de sensores en un entorno minero real?
  • ¿Los puntos de muestreo son seguros y están bien ubicados, o son una idea de último momento?

5) desintoxicación

  • ¿El diseño de desintoxicación se basa en sus objetivos de descarga y en la química de los relaves?
  • ¿Puede manejar picos a corto plazo sin forzar un cierre?

Consejo práctico:Una propuesta que parece más barata en el papel a menudo genera costos en las operaciones: cianuro adicional, cal adicional, mano de obra de mantenimiento adicional y un comportamiento más “heroico” del operador. La factura llega más tarde.


Conceptos básicos de dimensionamiento y especificaciones

No es necesario ser metalúrgico para hacer preguntas sobre dimensionamiento que protejan su presupuesto. ParaEquipo de cianuración, la lógica del tamaño del núcleo gira en torno al rendimiento, el tiempo de residencia y la transferencia de masa. Antes de aceptar cualquier diseño final, asegúrese de que estos aportes se indiquen explícitamente:

  • Rendimiento del diseño(promedio y pico, más variabilidad estacional esperada).
  • Tamaño de molienda objetivoy qué sucede si el molino se vuelve más tosco.
  • Tiempo de residencia de lixiviacióny si se basa en pruebas o suposiciones.
  • Plan de pH y alcalinidad.(incluyendo preparación de cal y estabilidad de dosificación).
  • Estrategia de oxígeno(aire, oxígeno o nada) y el impacto esperado en la cinética.
  • Inventario de carbono(cuánto carbono, dónde se encuentra y cómo se monitorea).

Si un proveedor no puede explicarlos en un lenguaje sencillo, trátelo como una señal de riesgo, no como un tecnicismo.


Seguridad y control de cianuro que realmente se mantienen

La seguridad no es un cartel en la pared. Con la cianuración, está integrada en el diseño físico y el control de rutina. FuerteEquipo de cianuraciónLos paquetes normalmente incluyen:

  • Almacenamiento y transferencia contenidoscon rutas de derrame claras y lógica de contención.
  • Dosificación entrelazadapor lo que no se puede agregar cianuro cuando no se cumplen las condiciones clave.
  • Diseño de muestreo claroque reduce el riesgo de exposición durante los controles de rutina.
  • Preparación para emergenciascomo parte del procedimiento operativo establecido, no como un documento complementario.

Desde la perspectiva del comprador, su trabajo es simple: forzar la propuesta para que muestre exactamente cómo interactúan las personas con el sistema. ¿Dónde se encuentran? ¿Qué tocan? ¿Cómo aíslan el equipo? ¿Cómo responden ante una falla en el sello de la bomba a las 2 a. m.?


De dónde provienen realmente los costos operativos

Si su costo por onza está aumentando, generalmente no se trata de una falla dramática, sino de pequeñas fugas en el sistema que se agravan. En la cianuración, los generadores de costos más comunes son:

  • Consumo de cianuroimpulsado por minerales reactivos, hábitos de sobredosis o circuitos de control deficientes.
  • consumo de limacuando el control del pH es inestable o no se comprende bien la química de la suspensión.
  • Pérdida de carbonopor desgaste, problemas de pantalla o diseño de transferencia deficiente.
  • Energía y mantenimientodebido a una agitación excesiva, piezas de desgaste mal diseñadas y diseños de difícil mantenimiento.
Síntoma Causa raíz probable Característica del equipo que ayuda
La recuperación cae cuando cambia el mineral. inestabilidad de pH/OD; mala mezcla; tiempo de residencia insuficiente Agitación robusta, mejor instrumentación de control, capacidad de tanque flexible
El gasto en cianuro sigue aumentando Sobredosis; minerales que consumen mucho cianuro; mala medición Dosificación controlada, puntos de muestreo confiables, enclavamientos más inteligentes
El inventario de carbono se reduce “misteriosamente” Fallos de pantalla; pérdidas de transferencia; desgaste Pantallas entre etapas duraderas, diseño de transferencia suave, contabilidad clara de carbono
Paradas frecuentes Piezas de desgaste, sellado de bombas, problemas de acceso Materiales resistentes al desgaste, acceso para mantenimiento, repuestos estandarizados.

Diseño de confiabilidad y mantenimiento

Cyaniding Equipment

Un circuito de cianuración puede parecer “completo” y aún así ser poco confiable si no se diseñó el mantenimiento. Pregunte cómo aborda el proveedor:

  • Selección de materialespara zonas de lodos abrasivos y zonas de contacto con cianuro.
  • Accesohasta pantallas, impulsores, revestimientos, bombas e instrumentación.
  • Estrategia de repuestosque coincida con la realidad de su sitio (plazos de entrega, logística, almacenamiento).
  • Normalizaciónpara reducir el número de artículos de desgaste únicos.

En operaciones remotas, “fácil de mantener” puede valer más que “un poco más eficiente en papel”.


Preguntas que debe hacer sobre proveedores

Utilice esta lista de verificación en las reuniones. Está diseñado para sacar a la luz propuestas débiles rápidamente, sin convertir la conversación en un debate.

  • ¿Qué riesgos minerales se asumen y para cuáles se diseñan activamente?
  • ¿Cuáles son los datos de diseño para el tiempo de residencia, el rango de pH y la estrategia de oxígeno?
  • ¿Cómo se controla la dosificación de cianuro y qué sucede durante una falla del sensor?
  • ¿Cómo se previene y mide la pérdida de carbono en las operaciones de rutina?
  • ¿Cuál es el plan de acceso de mantenimiento a cribas, agitadores y bombas?
  • ¿Cuáles son las comprobaciones recomendadas por el operador por turno y cómo se hacen seguras?
  • ¿Qué apoyo a la puesta en servicio se incluye y qué capacitación al operador se proporciona?

Si está evaluando proveedores, puede ser útil hablar con un fabricante que pueda suministrar un paquete completo de cianuración y respaldar los detalles de integración. Por ejemplo, Qingdao EPIC Mining Machinery Co., Ltd.proporciona soluciones de equipos de procesamiento de minería donde los paquetes de cianuración se consideran sistemas (lixiviación, adsorción, recuperación y control) en lugar de un conjunto de tanques desconectados.


Preguntas frecuentes

¿Qué hace que los equipos de cianuración sean “modernos” y no básicos?

Los diseños modernos se centran en la controlabilidad y la repetibilidad: dosificación estable, medición confiable, muestreo más seguro, protección sólida contra el desgaste y diseños que reducen la improvisación del operador. El objetivo es una recuperación consistente con menos desperdicio de reactivos y menos paradas.

¿Pueden los equipos de cianuración manejar minerales de baja calidad de forma económica?

Puede, pero sólo cuando el circuito está diseñado según su cinética y perfil de consumo. Las operaciones de baja calidad tienden a ser sensibles al gasto excesivo de reactivos y al tiempo de inactividad, por lo que los sistemas de control, el diseño del desgaste y la gestión del carbono se vuelven especialmente importantes.

¿Cómo sé si necesito CIP o CIL?

La elección generalmente depende de la cinética de lixiviación y de la rapidez con la que se debe capturar el oro disuelto. Si el oro se disuelve rápidamente y desea capturarlo de inmediato, CIL puede resultar atractivo. Si la lixiviación se beneficia de la separación antes de la adsorción, la CIP puede ser mejor. Las pruebas metalúrgicas y las limitaciones prácticas del sitio deberían impulsar la decisión.

¿Por qué a veces el consumo de cianuro aumenta repentinamente?

Las causas comunes incluyen cambios minerales, control deficiente del pH, limitación inesperada de oxígeno o contaminación en el agua del proceso. Un buen plan de control más puntos de muestreo confiables hacen que estos picos sean más fáciles de diagnosticar y corregir rápidamente.

¿Qué debo priorizar si mi sitio es remoto y tiene poco personal?

Priorice la mantenibilidad y la automatización que reduzcan la manipulación manual: pantallas duraderas, disposición accesible del equipo, repuestos estandarizados, dosificación entrelazada y rutinas operativas claras que no dependan de "un operador experto".


Resumen

ComprarEquipo de cianuraciónEn última instancia, se trata de reducir la incertidumbre. La química puede estar probada, pero su rentabilidad depende de un control constante, un mantenimiento práctico y una seguridad que funcione en turnos reales con personas reales. Si está planificando una nueva planta o actualizando un circuito existente, ponga sobre la mesa las realidades del mineral, los objetivos de rendimiento y las limitaciones del sitio, e insista en una propuesta que trate la cianuración como un sistema completo y controlable.

¿Listo para convertir su plan de cianuración en una operación confiable y con costos estables?Comparta su tipo de mineral, capacidad objetivo y condiciones del sitio, ycontáctanospara analizar una configuración práctica de equipos que se adapte a su planta y a sus operadores.

Enviar Consulta

X
Utilizamos cookies para ofrecerle una mejor experiencia de navegación, analizar el tráfico del sitio y personalizar el contenido. Al utilizar este sitio, acepta nuestro uso de cookies. política de privacidad